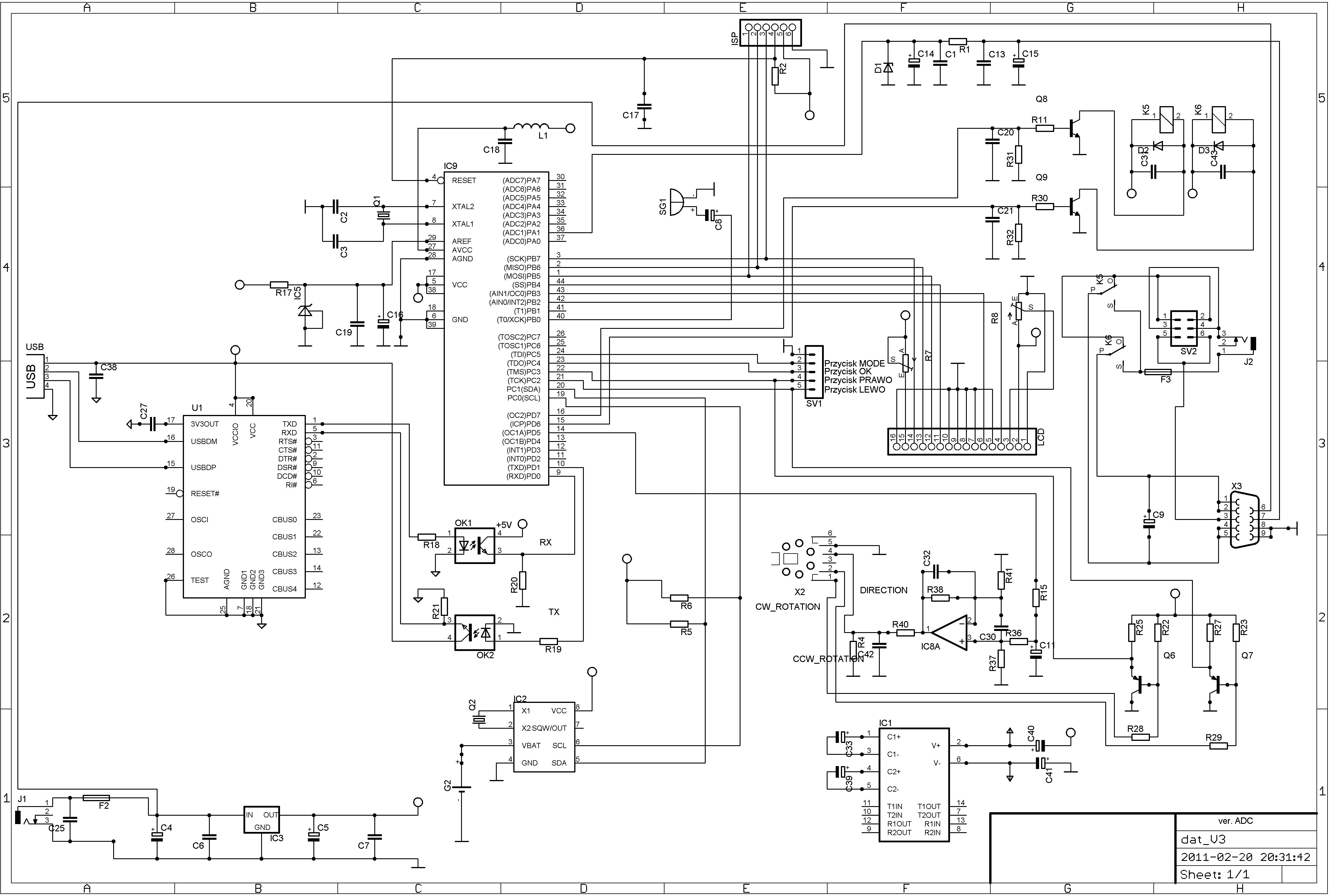
Sterownik Rotora
Polecam sterownik rotora opracowany przez Grzegorza SP8NTH. Miałem okazje uczynić to urządzenie – działa wyśmienicie i co ważne współpracuje z programami logującymi. Jak dla mnie jest super.
Płytka PCB wykonana profesjonalnie i dostępna u Grzegorza wraz z wsadem do procesora.
Więcej info na stronie http://sp8nth.qrz.pl/
Jak się zmobilizuje wstawię fotki mojego rotora. SP9BSR

Warsaw Time
UTC Time